US Navy RTTY Equipment - Multiplexers

RTTY is also called RATT (Radio Teletype)

Also see "Military Teletypewriter Systems of World War II" - pdf link

This page is for Teletype signal processing equipment.
Go to Navy Teletype Page for actual TTY typing, reperf, etc. equipment


Time-division multiplex systems

AN/FGC-5

Info & Photo page

1949 Prototype
fgc5-proto-4901.jpg (13022950 bytes)

cv81-fgc5-02.JPG (130414 bytes)
CV-81/FGC-5
fgc5-01.jpg (22721 bytes)
CV-94/FGC-5
os11-fgc5-101.jpg (8062 bytes)
OS-11/FGC-5
cv81-fgc5-01.JPG (284382 bytes)
Circuits use 5663 Thyratrons

AN/FGC-5 Info & Photo page

Combines 4 TTY lines to one multiplexed one - includes

  • CV-81/FGC-5 serial-to-parallel converter
  • CV-94/FGC-5 parallel-to-serial converter
  • OS-11/FGC-5 monitor scope
  • 2-rack system

 System Photo here

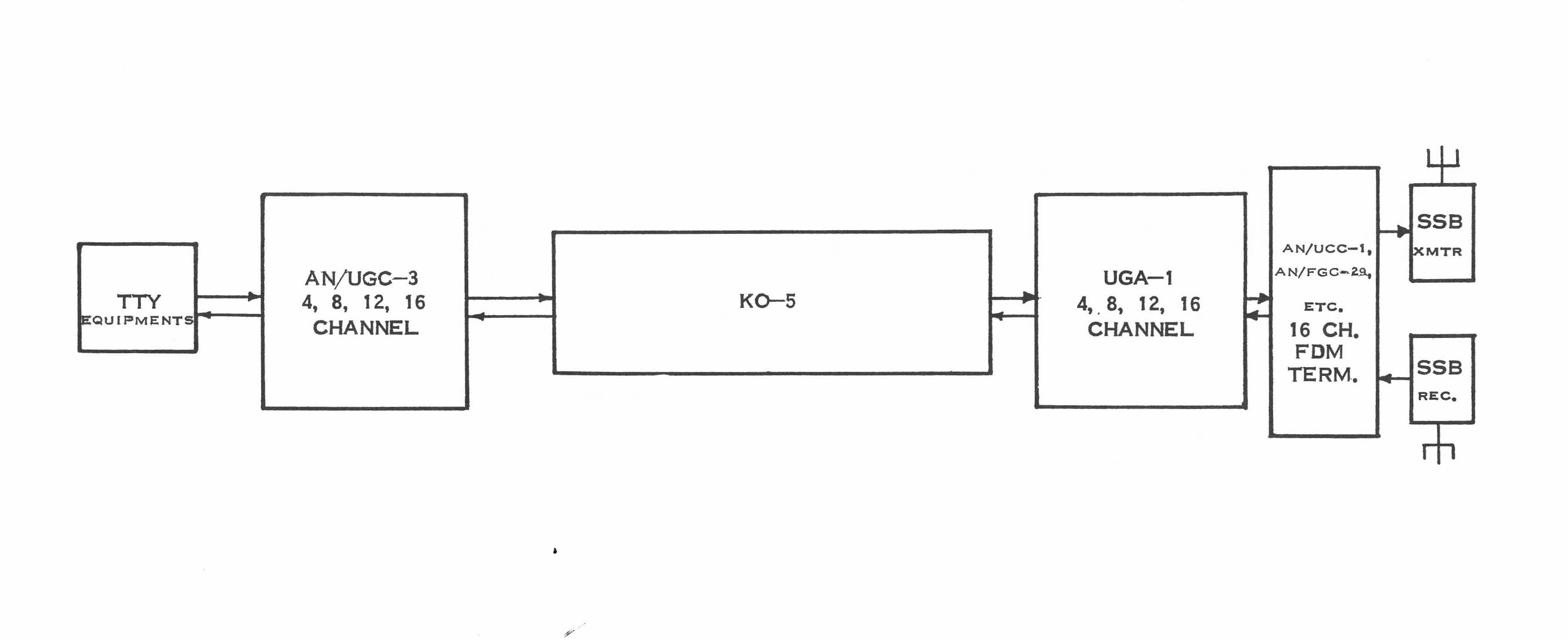
AN/UGA-1

Need Photo

uga1-spec-01.gif (466012 bytes) 16:1 time division multiplexer for synchronous TTY channels

need more info

used with TSEC/KO-5
used with AN/UGC-3

KO5CSP6620A-02.JPG (367809 bytes)

Need more Info
  FUNCTIONAL DESCRIPTION The AN/UGA-1 is designed to accept multiplexed output of sixteen (16) channel multiplex equipment and divides it into sixteen (16) separate channels which are synchronously related to each other. Output on each channel is in six (6) unit synchronous signal. The receive portion of the equipment performs companion function.
RELATION TO OTHER EQUIPMENT The AN/UGA-1 is designed to be used with but not part of AN/UGC-3() for use on frequency division telegraph systems.
TYPE OF DIVISION: Time-division type. 
TYPE OF OPERATION: Neutral. 
TYPE OF ACTUATION: DC actuated. 
NUMBER OF CHANNELS: 16. 
NUMBER OF WORDS PER MINUTE: 60, 75, 100 words per minute per channel. 
RELATION OF CHANNELS INPUT AND OUTPUT: The 16 channel inputs and outputs are synchronous in nature and are synchronously related.

AN/UGC-1

Info & Photo Page

 

AN/UGC-1(XN-1)
ugc1-5612-2.JPG (310127 bytes)
  • 4-channel system
  • manuf by Teletype
  • transistorized
  • compatible with AN/FGC-5
  • Used with KW-22 crypto system

AN/UGC-1 Info & Photo Page

AN/UGC-1
ugc1-01.jpg (63559 bytes)

AN/UGC-3

need photo

ugc3-spec-01.gif (81892 bytes) ugc3-spec-02.gif (61931 bytes) 16:1 start-stop TTY mux/demux
Used with TSEC/KO-5

need photos and more info

FUNCTIONAL DESCRIPTION: The Telegraph Terminal Set AN/UGC-3 is a transistorized, sixteen (16) channel, time divi­sion, multiplex equipment for fixed station installation. A complete set consists of a transmitting and receiving group. The transmitting group accepts neutral, start-stop signals from up to 16 separate circuits and assembles them in sequential order for multiplex transmission over a single circuit. The receiving group accepts multiplex signals from a distant source, converts them to start-stop, and distributes them to 16 separate circuits. Signals are received from a number of start-stop teletypewriter circuits, stored, and transmitted over common channel. In this process, the message characters from the start-stop circuits are com­pressed in time so that a character from each of these circuits is transmitted in the time normally required to send one character from a single circuit. The receiving multiplex terminal sorts the compressed signals into their respective circuits and regenerates them into normal length start-stop characters. Adjacent siting of the receiver and transmitter group permits use of the built-in test equipment in both. 
TYPE OF MULTIPLEXING: Time-division type. 
TYPE OF FREQUENCY CONTROL: Temperature controlled crystal oscillator. 
REPETITION RATE: 60 wpm-440 pps; 74 wpm-562.5 pps; 100 wpm-733.69 pps. 
NUMBER OF CHANNELS: 4, 8, 12 or 16. 
RELATION TO OTHER EQUIPMENT: In four channel operation, the multiplex signals of the AN/UGC-3 are completely compatible with those of AN/UGC-1 at all speeds and with the AN/FGC-5 at 60 & 75 words per minute. Any standard apparatus using a 7.42 unit code may be employed in the start-stop circuits. All start-stop equipment must have the same operating speeds of 60, 75 or 100 words per minute. The AN/UGC-3 is designed to be used with, but not part of AN/UGA-1.

AN/UXC-2

need more info

Single-channel time & frequency multiplex for immunity to multipath and fading.
uxc2-spec-01.JPG (3178791 bytes)
Used with TSEC/KO-5 crypto system for fax transmission

uxc2-spec-02.JPG (1516319 bytes)

uxc2-01.JPG (121129 bytes)
uxc2-06.JPG (106161 bytes) uxc2-03.JPG (121575 bytes) uxc2-04.JPG (108517 bytes)
uxc2-05.JPG (98711 bytes) uxc2-02.JPG (113126 bytes) uxc2-07.JPG (118678 bytes)

Frequency- division multiplex systems

UG

UF Spec Sheet

ug-101.jpg (683833 bytes) 1945 - Wireline or radio use.
Four full duplex TTY links using 2 UG cabinets - (8 tone channels) 
UG and UH are part of UF system (NAVSHIPS 900,223) - UF Spec Sheet
More info coming soon.

ug-103.jpg (237529 bytes)

ug-102.jpg (644090 bytes)

UN

UN Spec Sheet

Replaced by AN/FCC-3

un-101a.jpg (186479 bytes) 12 narrow-band plus 3 wide-band channels

un-102a.jpg (116435 bytes)

UN Spec Sheet

AN/FCC-3
AN/FCC-3A
AN/FCC-3B 

Info & Photo Page

  fcc3-107.JPG (176648 bytes)

fcc3-01.jpg (96818 bytes) pr-rb-04.jpg (200722 bytes)
NAVCOMMSTA Puerto Rico, 1958
  • Shore station use - radio or landline links
  • "Telegraph Carrier System"
  • 8 narrow channels plus 4 wide channels
  • manuf by Radio Frequency Labs

  

fcc3-106.JPG (196008 bytes)

C-2t

fcc3-c2t-01.JPG (205145 bytes) space diversity modification of AN/FCC-3

(1 xmtr rack & 2 rcvr racks)

NAVSHIPS 92370(A)

--

AN/FCC-7

similar to FCC-3
  • Shore station use - radio or landline links
  • 8 narrow channels - like FCC-3 but no wide channels
  • manuf by Radio Frequency Labs

AN/FCC-8

similar to FCC-3
  • Shore station use - radio or landline links
  • 8 narrow channels - like FCC-7 but no frequency converters
  • manuf by Radio Frequency Labs
    USAF T.O. 31W1-2FCC-102 (service)
USAF T.O. 31W1-2FCC-103 (schematics)
USAF T.O. 31W1-2FCC-104 (parts)
manual   
manual   
manual   

AN/FCC-17

60-600 4kc channels

Specifications

fcc17-01.jpg (635894 bytes) FCC-17 installed at NAVCOMMSTA Greece (Nea Makri)
re2-install-01.JPG (556906 bytes)
MANUALS

T.O. 31W1-2FCC-102 (service)  

T.O. 31W1-2FCC-103 (schematics)  

T.O. 31W1-2FCC-104 (parts)  

AN/FGC-29

Info and Photo Page

fgc29-01.JPG (560871 bytes) 16 channel replacement for AN/FCC-3

  

AN/FGC-29 Info and Photo Page

AN/FGC-60

Info & Photo Page

fgc60-01a.JPG (116702 bytes)
  • Shore station use - radio or landline links
  • 16 channels
  • manuf by Tele-Signal Corp
AN/FGC-60 Info & Photo Page

NAVSHIPS 93841
avail from www.fairradio.com  

AN/UCC-1
AN/UCC-1A
AN/UCC-1B
AN/UCC-1C
AN/UCC-1D

Info & Photo Page

ucc1-02.jpg (73017 bytes)
UCC-1A Full transmit & receive system
  • Ship/Shore use - radio or landline links
  • transistorized
  • 16 narrow channels

ucc1-03.JPG (57638 bytes)
UCC-1D Typical receive-only configuration

 

AN/UCC-1 page with more photos, info, circuit description, etc.

UCC-1A - NAVSHIPS 96028
UCC-1D - NAVSHIPS 0967-239-4010

download UCC-1A manual pages  -  
download UCC-1A manual foldouts

ucc1-1202.JPG (96506 bytes)
UCC-1D Plug-in module