US Navy Crypto Equipment - 1950's-60's Crypto Tour

Jerry Proc's web site is A Great Place for crypto systems info  
Cryptomuseum is also a Wonderful Resource  
Dirk Rijmenants' web site is also excellent 
Thanks to the National Cryptologic Museum   
             for photos and info from declassified CSP 6620A 


Crypto Systems

ECM Mark II (CSP 888/889)

Jerry's ECM Mk II page
SS-383's ECM Mk II Page
Cryptomuseum SIGABA page
NSA History of SIGABA/ECM Mk II
More ECM history

ECM Mk II Manual

ecm2-02.JPG (3617135 bytes)

offline use - USN version of SIGABA

CSP 889 at NCM
csp889-ncm-01.jpg (600472 bytes)

CSP 889 nstalled in Safe Locker Type #8 aboard USS Slater DE-766
ecm-slater-2308-01.jpg (24544 bytes)
Rotor basket CSP887 at NCM
csp889-ncm-02.jpg (876773 bytes)

CSP-2900 was a later version

AN/FGQ-1 (PYTHON/GORGON)
(Navy CSP-2599, Teletype 131B2)
Data Sheet

Article on using PYTHON

Mixing Circuit
offline or online 60 wpm TTY in/out
fgq1-1610-11.jpg (467571 bytes)

manual - TM 11-2209 - download

Jerry's 131B2 page

Mixes (binary add) input stream with a One-Time Key Tape (PYTHON) or with Key Stream from KW-2 (GORGON) - Army system name SIGTOT

NSA lecture on PYTHON

fgq1-01.JPG (1078188 bytes)

fgq1-spec-1.JPG (682611 bytes) Used with CSP-2699 PYTHON key tape reader

Replaced by HW-10 + HW-19A

Modification for TEXT-CIPHER control by Model 28 teletypes

fgq1-02.JPG (252637 bytes)

fgq1-1610-05.jpg (3550784 bytes) fgq1-1610-06.jpg (3252265 bytes) fgq1-1610-03.jpg (1908157 bytes) fgq1-1610-04.jpg (2180643 bytes)
Repeater Panel
fgq1-1610-07.jpg (2109007 bytes)
Repeater Panel
fgq1-1610-08.jpg (2162450 bytes)
Mixer Panel
fgq1-1610-09.jpg (2229301 bytes)
Mixer Panel
fgq1-1610-10.jpg (2081519 bytes)

SSM-33 (PYTHON)
(SSM-3 is half duplex SSM-33)
Data Sheet

Jerry's SSM-33 page

ssm33-100.jpg (104969 bytes)

ssm33-01.JPG (320074 bytes) SSM-33 in AN/SGA-4 System
ssm33-02.JPG (446926 bytes)
Mixes (binary add) input stream with a One-Time Key Tape (PYTHON). Requires PP-1646/UG power supply. 

Used with CSP-2699 Python tape reader

Replaced by HW-19A

Please let me know if you have a manual I can copy, or a unit I can buy.

SSM-33 photos thanks to Don House
SSM 33 Front.jpg (218208 bytes) SSM 33 open doors.jpg (268290 bytes) SSM 33 Back Cover.jpg (240268 bytes) SSM 33 Back.jpg (325842 bytes)

MYSTERY

Unknown Teletype Signal Mixer (PYTHON) manufactured by Rauland-Borg. Please let me know if you have any info

TTY-Rauland.jpg (84806 bytes)  Function looks similar to SSM-3 or TSEC/HW-19A ==

CSP-2699 (TT-21/FG SIGTOT)
Data Sheet

Jerry's SIGTOT page

csp2699-01.JPG (973959 bytes)

tt21-distrib-01.jpg (227159 bytes) Teletype M14 TD variant used to read PYTHON one-time key tape - This RECEIVING TD operates slightly faster than a normal TD - 420rpm shaft speed but 368 opm (45.5 baud) line speed. This is necessary so that the key tape can always synchronize with characters from the source tape or keyboard.

Schematic Diagram (note TT-21 schematic is same as TT-25)

Teletype XD-100GW, 14ABM-1

Used with PYTHON systems AN/FGQ-1 (131B2), SSM-33, HW-18

replaced by HW-10

TM 11-2222 manual covering TT-21/FG

Description & Adjustments - Teletype Bulletin 189

tt21-1610-01.jpg (19023 bytes) tt21-1610-05.jpg (30132 bytes) tt21-1610-06.jpg (27711 bytes) tt21-base-01.jpg (2518722 bytes)
Equipment for generating random key tape for PYTHON

NCM photos - Any more info?

sigtot-tape-01.png (4283571 bytes) sigtot-tape-02.png (3788230 bytes) ===

TSEC/HL-1B
Data Sheet

Jerry's HL-1 page

Dirk's HL-1 info

HL1-ncm-05.jpg (248378 bytes)

hl1b-ncm-2111.jpg (346295 bytes) Tape Reader (50 wpm)
HL-1B is 65 wpm version for use with HL-2 in AN/SGA-3

HL-1C is an unknown variant

hl1-02.gif (69846 bytes)

Converts 5-level code on TTY tape to literal format (1 bit per letter) used with KL-47 or KL-7(w/KLX-7adaptor)

KL7-HL1.jpg (146157 bytes)

HL-1 or HL-1B can be modified to produce an HLI-1 translator and an HLT-1 tape reader for use in AN/SGA-5

HL1-ncm-02.jpg (553492 bytes)

INFO WANTED!

Please send e-mail with any additional info

HL1-ncm-01.jpg (259299 bytes) HL1-ncm-04.jpg (396589 bytes) HL1-ncm-06.jpg (258278 bytes)

TSEC/HL-1 top section (TSEC/HLT-1) with cover removed.

This is only the top half of the unit shown in the previous pictures. There is a multi-wire cable carrying the 5-bit tape reader code as well as decrypt-encrypt-plain and other switch connections plus 115vac power. Based on the other photos here and on Jerry's HL-1 page, The bottom half of the HL-1 unit contains the 5-bit to 30-line literal decoder circuitry (HLI-1 translator) .
See AN/SGA-5 for a complete view

Please send e-mail with any additional info

IMG_7332.JPG (5564778 bytes) IMG_7333.JPG (5858338 bytes)
bottom view of upper half
IMG_7339.JPG (2984236 bytes)
contact leads extend into bottom half with no connection except through connectors shown at right
IMG_7335.JPG (2579500 bytes)
Cable and connectors to separate TSEC/HLI-1 (integrated in normal HL-1)
IMG_7337.JPG (5505595 bytes)
IMG_7338.JPG (5692071 bytes)
TSEC/HL-1 connection to TSEC/KL-7 via KLX-7/TSEC adapter
The TSEC/HL-1 (an ancillary tape reader) senses a five level teletypewriter tape and interprets the signals through a series of relays as a literal signal. One side of the sensing mechanism is electrically tied to common in the TSEC/KL-7 through the keyboard adapter pin A7. Circuits are completed from common in the TSEC/KL-7 through the sensing pins and relays in the tape reader to specific points on the output plug of the TSEC/HL-1. The points on the output plug are wired through a cable and the keyboard adapter to individual key circuits in the TSEC/KL-7. Circuits completed to these individual key circuits effectively simulate a key closure and printing is initiated in the normal manner.

TSEC/HL-2
Data Sheet

Please send e-mail with any additional info

hl2-01.gif (72908 bytes) Electro-mechanical code converter

75 wpm

Used in AN/SGA-3

Converts KL-47 format output (literal?) to 5-level TTY code to be fed to a printer and/or tape reperforator.

TSEC/HW-5
(HW-5(D) - AFSAZ D7305)

need info

need photo "Short term message synchronizer for use with non-synchronous on-line teletype security equipment, such as AFSAM 9 and one-time tape equipments" 1956 cost $700 ea.

TSEC/HW-8

need info and photos

hw8-2402-03.jpg (1410816 bytes) Transmission Delay Compensator

Selectable delay to synchronize crypto streams - used with KW-26 and others

+10 to -10 bauds

hw8-2402-01.jpg (164321 bytes)

TSEC/HW-10
(AFSAZ 7310)
Data Sheet

hw10-2308-01.jpg (5627019 bytes) 60 wpm one-time tape reader for PYTHON Used with HW-19A mixer

Replaces CSP-2699

TSEC/HW-18 (PYTHON/GORGON)
Data Sheet

hw18-01.JPG (328495 bytes) Offline or Online Lightweight Mixer - Mixes (binary add) input stream with a One-Time Key Tape (PYTHON) or with Key Stream from KW-2 (GORGON)

Authorized for receiving use only

 

Used with CSP-2699 Python tape reader

Replaced by HW-19A

TSEC/HW-19A (PYTHON)
(AFSAZ 7319)
Data Sheet

"HW-19D (Janized version) An on-line half-duplex, electronic mixer for use with teletype security equipment. Essentially radiation free."
1956 cost $700

Manufacturing File 1956-58  
Manufacturing File 1959  

hw19a-2308-01.jpg (6332584 bytes) On-line or Off-line Mixer 60-100 wpm TTY- Mixes (binary add) input stream with a One-Time Key Tape
hw19a-02.JPG (270855 bytes)
Used with HW-10 - Replaces AN/FGQ-1, SSM-33, HW-18

hw19a-2308-02.jpg (5568357 bytes)

TSEC/HY-2
Data Sheet

Jerry's HY-2 page

hy2-01.JPG (493181 bytes) Vocoder for use with KG-13
hy2-02.JPG (366593 bytes)
--

TSEC/KG-13 (PONTUS)
Data Sheet

KG13-ncm-01.jpg (384818 bytes)

Jerry's KG-13 page

KG13-ncm-02.jpg (293330 bytes)

NSA lecture on KG-3/KG-13

kg13-02.JPG (372113 bytes)

Point-to-point applications -
Command & Control Long Haul Voice
Data over Wire and Radio Circuits
NSG Long Haul Voice
Voice over Radio Circuits (DCS)
Multichannel Teletypewriter (DCS)
Data over Wire Circuits (DCS)

Full duplex key generator for encryption of digital data. With various converter equipment handles digital voice, facsimile, computer data, and multichannel teletype. Consists of drawer assemblies from KG-3 and KG-12 equipments. The full duplex equipment consists of 3 identical key generators, 2 synchronizers, an alarm assembly, and 2 power supplies. 0-100kc frequency range. Used with HY-2 vocoder and other equipment for long haul voice which is extended to local subscribers by means of KY-3 equipment.

TSEC/KG-14 (CREON) 

Jerry's KG-14 page

kg14-01.jpg (108406 bytes) online TTY, synced from KWR-37 to receive multi-channel fleet broadcast

Maintenance/Repair Manual
KAM-179/TSEC

--

TSEC/KL-4
PENELOPE

Call Sign Cipher Device

Jerry's KL-4 page

 - NATO deployment

kl4-ncm-01.jpg (437266 bytes)

kl4-ncm-02.jpg (459765 bytes) kl4-ncm-03.jpg (664602 bytes) kl4-ncm-04.jpg (701955 bytes)
kl4-ncm-05.jpg (551184 bytes) kl4-ncm-06.jpg (507770 bytes) kl4-ncm-08.jpg (501360 bytes) Contract - Teletype Corp
NObsr 81520, 20 June 1960

Tech Manual - 105A/TSEC
Instructions - KAO-64/TSEC

kl4-ncm-09.jpg (448398 bytes) kl4-ncm-07.jpg (485297 bytes) kl4-ncm-10.jpg (646362 bytes) kl4-ncm-11.jpg (486009 bytes)
The TSEC/KL-4 is a transportable mechanical device used to encode and decode four character radio call signs. It has the appearance of a rectangular metal box, and its top surface is a hinged- door containing apertures and windows necessary for viewing of call signs and symbols during operation or the machine. This hinged door permits access to eight paper--retaining drums located in the machine. Sliding plates are found on the underside or the door which cover and uncover information on the drums as required. These plates are controlled by the encode-decode knob. The bottom and four sides of the rectangular machine are arranged to receive an open-top, drawn aluminum, box-type container. This container is retained by four screws on the underside. The recessed portions of the container protect all knobs and levers. A channel for holding date strips is found towards the lower end of the machine. These strips indicate the operational dates for which the machine is keyed. Four knobs connected to the four input drums are located on the left side of the machine. Four knobs which operate the entry addition system are located on the right side of the machine. Four selection levers are provided at the lower end of the machine to select the proper column of the entry-addition system when information is to be set into the machine. A numerical-equivalent window button is provided on the right side of the machine which serves to check both gearing and location of paper code strips used. An easel-type stand allows operation of the machine in several positions.

TSEC/KL-7 (ADONIS/POLLUX) 

NSA lecture on KL-7
Jerry's KL-7 page
Cryptomuseum KL-7 page
CampX page - KL-7 documents 
Dirk Rijmenants's KL-7 page  
Video of operating KL-7

originally AFSAM 7 - offline, printed tape output - Development and History

More photos

kl7-cryptomuseum-01.jpg (109743 bytes)
photo thanks to Cryptomuseum
 - with KLX-7 adapter it can be connected to tape reader (HL-1)

Repair and Maintenance Manual
    KAM-1/TSEC 

    (through Change 3, Feb. 1960)
 - thanks to Bill Neill

KL-7 ADONIS Operating Instructions - KAO-41C/TSEC

KL-7 POLLUX Operating Instructions - AFSAG 1236

KL7-ncm-201.jpg (733059 bytes)
KL7-ncm-03.jpg (277706 bytes) KL7-ncm-02.jpg (641995 bytes) KL7-ncm-203.jpg (675079 bytes) KL7-ncm-202.jpg (490702 bytes)

TSEC/KL-29 (BACCHUS)
CSP 2900 version of ECM Mark II

Jerry's KL-29 page

need photo - test offline used with AN/SGA-3

TSEC/KL-47 (ADONIS/POLLUX)
(AFSAM 47B)

Jerry's KL-47 page
Cryptomuseum KL-47 page

KL47-ncm-01.jpg (361429 bytes)

More photos -  KLB-47/TSEC printer and switch mechanism   

kl47-nsa-01.jpg (460942 bytes)

offline, 3/8" printed tape output
This is a version of KL-7 that allows connection to tape reader (HL-1B) and tape punch (HL-2) equipment

"Off-line, keyboard operated, literal cipher machine (36 pt rotors)"

KLK-47 rotor basket
KL47-ncm-02.jpg (306602 bytes)

used with AN/SGA-3

1956 cost $5,000 ea.

Maintenance Manual
KAM-3/TSEC 

Made by Teletype Corp.

 

KL47-ncm-201.jpg (559321 bytes) KL47-ncm-202.jpg (713335 bytes) KL47-ncm-203.jpg (589116 bytes) KL47-ncm-204.jpg (599592 bytes)

TSEC/KO-5 (CYCLOPS)
Data Sheet

Jerry's KO-5 page

KO5CSP6620A-01.JPG (4186746 bytes) online, 16 channels 100wpm TTY or 1 channel facsimile

KO5CSP6620A-02.JPG (367809 bytes)

Used with AN/UGC-3 & AN/UGA-1 TDM multiplexer + AN/FGC-60 or AN/UCC-1 or AN/FGC-29 FDM multiplexer 

 

TSEC/KO-6A (PHOEBE)
Data Sheet

Jerry's KO-6 page

Used for Fleet Commanders Operations Voice Network 

full duplex
1 channel voice
or 1- 5 TTY channels
or 1 facsimile channel

Replaced by HY-2/KG-13

Voice input from a special handset up to 6 of which may be used. Vocoder has 8 spectrum channels and 1 pitch channel. Its output of AM pulses is time-multiplexed and digitalized into an 8 bit code at 1500 baud. Crypto unit is an electro-mechanical Geared Timing Mechanism (GTM) using a photoelectric system with shadow-mask key disks. The self-contained 1500 baud frequency division multiplex system consists of six 250 baud FSK information channels and 1 sync channel. The required bandwidth is 3kc.

TSEC/KW-2 (GORGON)
Data Sheet

Jerry's KW-2 page

crypto2.gif (52901 bytes)

crypto1.gif (271018 bytes) online, TTY

kw2-ncm-full-01.png (5262858 bytes)

follow-on to US Army M-228 SIGCUM

Combination of Key and Plain Text is performed in an associated mixer (such as AN/FGQ-1 above). Accepts 32 characters from remote teleprinter at 60wpm. Wired-rotor maze with integrated stepper mechanism. Maximum length of encipherment is 6000 characters off-line or 12 hours operation on-line.

KW2-ncm-02.jpg (551464 bytes) kw2-ncm-full-02.png (6837789 bytes) kw2-ncm-full-03.png (7531411 bytes) kw2-ncm-full-04.png (7457445 bytes)
kw2-ncm-full-05.png (8099228 bytes) kw2-ncm-full-06.png (8410661 bytes)
US Army M-228 SIGCUM
TSEC/KW-2 was evidently a follow-on to US Army M-228 SIGCUM

M-228 photos from NCM

kw2-m228-ncm-01.png (2032439 bytes) kw2-m228-ncm-02.png (2104763 bytes) kw2-m228-ncm-03.png (697173 bytes)
kw2-m228-ncm-04.png (2390245 bytes) kw2-m228-ncm-05.png (1985487 bytes) kw2-m228-ncm-06.png (1728864 bytes)

TSEC/KW-7 
(ORESTES on-line TTY) 

  • Jerry's KW-7 page
  • Cryptomusem KW-7 page
  • NSA lecture on KW-7, KW-26, and KW-37
  • Used for  ship-to-shore, ship-to-ship, and shore-to-ship (Fleet Tactical Relay) 

kw7-museum-01.jpg (836364 bytes)

cv66-rcvr-1982.jpg (1150326 bytes)
1982 - KW-7 mounted in KWF-1/TSEC slide mount aboard CV-66

KWF-1 drawings

KW-7 operating procedure

KW-7 Equipment Serviceability Guide

stockton-1307-03.JPG (265069 bytes)
1970's - KW-7 units at NAVCOMMSTA Stockton - mounted in KWX-11/TSEC rack slides

Repair/Maintenance Manuals
 
   - thanks to Bill Neill

  • KAM-143B/TSEC - April 1963
    Volume I -  Description, Theory
  • KAM-144B/TSEC - April 1963
    Volume II - Maintenance
  • KAM-145B/TSEC - Feb 1969
    Volume III - Parts List
stockton-1307-06.JPG (221623 bytes)
Rear view of KW-7 racks showing KWX-11 slides/connections (?)

KWX-11 drawings (see pages 21-27)

Some KW-7 dimensions

kw7-ncm-01.jpg (744602 bytes) kw7-ncm-02.jpg (737653 bytes) kw7-ncm-102.jpg (392252 bytes) kw7-ncm-103.jpg (341148 bytes)
kw7-ncm-104.jpg (384950 bytes) kw7-ncm-105.jpg (651318 bytes) kw7-nsa-01.jpg (428060 bytes)

KWX-7/TSEC Remote Control

kwx_07b.jpg (19318 bytes)

kwx_07a.jpg (22751 bytes)  See also Cryptomusem KW-7 page  

  Another Photo

 

 

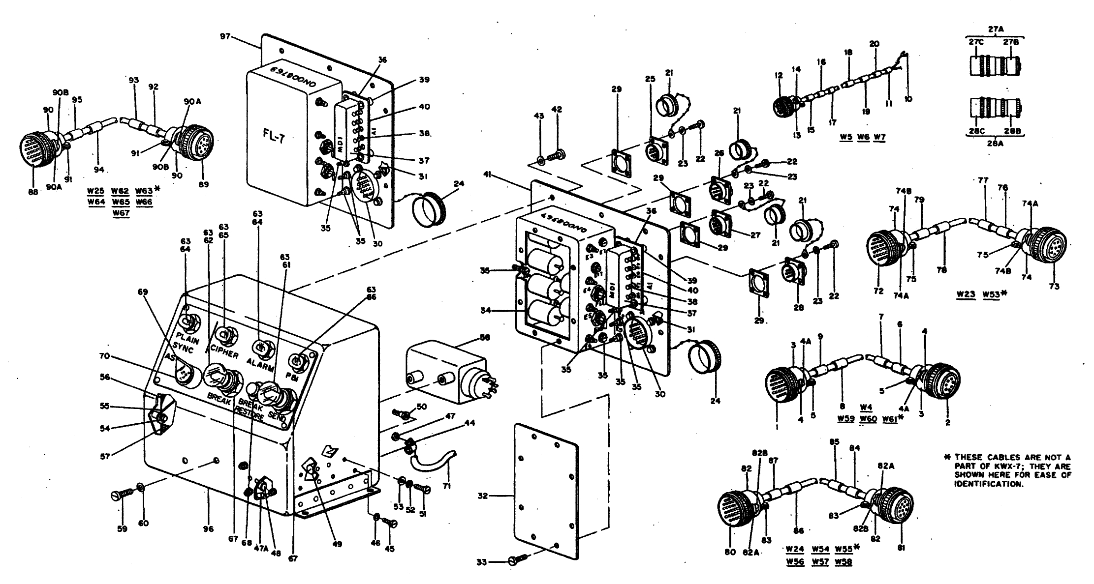
kwx7-parts.jpg (712987 bytes)

KWX-8/TSEC
Remote phasing control for KW-7

kwx8-ncm-01.jpg (528199 bytes)

KWX-8 operating procedure

1 - READY (green lamp)
2 - SEND pushbutton
3 - ALARM (red lamp)
4 - P&I phase indicator (yellow lamp)

kwx8-dimen.jpg (78442 bytes)

KWX-8 in use at NAVCOMMSTA Guam 1969
Guam Communications Station 224.jpg (605305 bytes)
kwx8-parts-01.jpg (449764 bytes)

TSEC/KW-22 (TANTALUS)
(KW-22(D) = AFSAM D22)
Data Sheet

Jerry's KW-22 page 

"Teletype security equipment for use with AN/FGC-5 electronic multiplex communications equipment."

 

KW22CSP6620A-02.JPG (2886400 bytes) online, 4:1 multiplexed TTY
KW22CSP6620A-03.JPG (1500437 bytes)
-used with AN/FGC-5 multiplexer or
AN/UGC-1 multiplexer

1957 cost $20,000 ea.

 

 

1953 Development Info - AFSAM D22  - Electronic key generator designed for use with the AN/FGC-5 Electronic Multiplex Equipment. Enciphers the output of the AN/FGC-5, which accepts 32 characters from remote teleprinters. Capable of two, three or four channel operation. Provides traffic flow security. Crypto-unit, which has been recently changed, supplies an additive binary key derived from a 53-stage Koken and associated combining circuits. Crypto-period set-up will be made from a Remington-Rand (or possibly IBM) card. Size and Weight 2 units, each 4' x 2' x 2'; total weight 500 lbs. Development Status - Development model has been completed and tested. An 18 month contract was awarded in May 1953, for the completion of a design approval model by February 1954, and pre-production model by November 1954.

TSEC/KW-26 (ROMULUS) 
TSEC/KWR-26
TSEC/KWT-26
(KW-26(D-3) = AFSAM D26 (X-4))

"On-line, fully synchronous single channel teletype security equipments (60-100wpm speed)"

1956 cost $15,500 ea.

NSA lecture on KW-7, KW-26, and KW-37

kw26-booklet.jpg (75962 bytes)
KW-26A units at NSA Comm Center - from NSA booklet
online TTY

stockton-1307-04.JPG (203633 bytes)
1970's - KW-26C's - NAVCOMMSTA Stockton

KWR-26C with KWP-26 power supply
kwr26c-cia-2107-02.jpg (315920 bytes)

KW-26 circuit card
kw26-board-2011-01.jpg (977624 bytes)

 

Jerry's KW-26 page

NSA KW-26 booklet

Used for  ship-to-shore, ship-to-ship, and shore-to-ship (Fleet Tactical Relay)

1953 Development Info - AFSAM D26 - Single channel synchronous equipment; accepts 31 characters (excluding blanks) from remote teleprinter. Operates at 60 or 100 words per minute and provides traffic flow security. Crypto-component supplies an additive binary key derived from a 53 stage Koken and associated combining circuits and includes means to prevent the reading of messages in depth. Crypto-period set-up will be made from a Remington Rand (or possibly an IBM) card. Size and Weight: One 6' x 19" rack. Development Status: One engineering model of the transmit terminal is almost complete and construction of the receive terminal is underway locally.

TSEC/KW-37 (JASON)
TSEC/KWR-37
TSEC/KWT-37

Jerry's KWR-37 page
Jerry's KWT-37 page

NSA lecture on KW-7, KW-26, and KW-37

kw37-101.JPG (647872 bytes)

KWR-37 Maintenance/Repair Manuals
Vol 1 - KAM-78A/TSEC
Vol 2 - KAM-79A/TSEC

Used for fleet broadcast

online TTY

acted as master sync/control for KG-14's on other channels

KWR-37/KG-14 operating procedure

 

stockton-1307-07.JPG (155204 bytes)
1970's - rear view showing KWT-37 (?) - NAVCOMMSTA Stockton

TSEC/KY-3 (TROILUS)
Data Sheet

Jerry's KY-3 page

ky3-01.JPG (1793576 bytes)

ky3-101.JPG (723182 bytes) Used standalone for short-haul voice or with HY-2/KG-13 for long haul voice

ky3-02.JPG (131716 bytes)

Wide-band speech security equipment

50 kc diphase transmission system. Keying via punch cards

Used with SY-1 switchboard for up to 12 KY-3 lines

TSEC/KY-5

need info

need photo "50 KC, single channel, pulse code modulation voice security equipment for use over an "N" carrier channel" 1956 cost $18,500 ea.

TSEC/KY-8 (NESTOR)
Shipboard System Installation Drawings

Jerry's KY-8 page

need better photo
ky8-01.jpg (80765 bytes)
Interim VHF/UHF Secure Voice System - includes KYB-6/TSEC equipment, HYP-2/TSEC power supply, KYB-13/TSEC shock mount Manual NAVSHIPS 0967-190-3020

TSEC/KY-9 (THESEUS)
Data Sheet

Jerry's KY-9 page

ky9-01.gif (193576 bytes) ky9-70023.jpg (306248 bytes) Used for High Command Joint Circuits.

Transistorized, half-duplex, narrow-band speech system. 1650 baud, 3kc bandwidth.

TSEC/KX-3
(KX-3(D-1) = AFSAX D503A

need info

need photo "A fixed plant black-white facsimile equipment. Additional equipment such as the AFSAZ D7300 or AFSAZ D7306 is required for radio or wire transmission" 1956 cost $20,000 ea.

Crypto-Related Teletype Equipment and Systems

AN/FGA-2
(Used with KW-2)

Spec sheet

Consists of CY-2245/FGA-2, C-2273/FGA-2, PP-1646/UG, and Repeater-Mixer SSM-33. Used with CSP-2699 and TSEC/KW-2.

Built by Norfolk Naval Shipyard

fga2-mixer.jpg (542610 bytes) ==

AN/GGA-1
Data Sheet

75wpm units used with KL-34 & KL-47 crypto equipment

Teletype Equipment manual - thanks to RTTY Electronics

gga1-sys.jpg (118680 bytes)

Please send email if you have any info or photos. What is a Teletype Type 58 TD? What is a M28 DW1 typebox?

AN/GGA-1
    TT-36/GGA-1 TD  (Type 58)
    TT-37/GGA-1 KTR (M14 - FPR23DK246, FK110LD)
    TT-38/GGA-1 KTR
(TT-37 plus table & rectifier)
    TT-39/GGA-1 KSR (Model 15 lightweight)
    PP-315/GGA-1 RECT (REC-30)
    FN-30/GGA-1 TABLE

AN/GGA-1A
    TT-36/GGA-1 (Type 58)
    TT-37/GGA-1 KTR (M14 - FPR23DK246, FK110LD)
    TT-38/GGA-1 KTR
(TT-37 plus table & rectifier)
    TT-183/GGA-1A KSR (M28 TT-47 w/ 75wpm & DW1 typebox)
    PP-315/GGA-1 RECT (REC-30)
    FN-30/GGA-1 TABLE

AN/GGA-1B
    TT-36/GGA-1 (Type 58)
    TT-37/GGA-1 KTR (M14 - FPR23DK246, FK110LD)
    TT-38/GGA-1 KTR
(TT-37 plus table & rectifier)
    TT-184/GGA-1B KSR (M28 TT-69 w/ 75wpm, DW1 typebox)
    PP-315/GGA-1 RECT (REC-30)
    FN-30/GGA-1 TABLE

TT-39/GGA-1
tt39-gga1-01.JPG (56798 bytes)
gga1-tsc35-1412-05.JPG (61040 bytes) These photos are from the offline crypto area at NAVCOMMSTA Greece.

gga1-tsc35-1412-04.JPG (61042 bytes)

gga1-tsc35-1412-03.JPG (101849 bytes) gga1-tsc35-1412-02.JPG (94319 bytes)

TT-36/GGA-1
TT-36GGA-1.jpg (108215 bytes)

TT-36 cover off.jpg (124803 bytes) tt37-gga1-1806-01.jpg (624580 bytes)

Please send email if you have any info or photos. 

Teletype Equipment manual - thanks to RTTY Electronics

TT-36 photos thanks to Duncan Brown

gga1-tsc35-1412-01.JPG (87492 bytes)

AN/SGA-1
(includes SSM-3)

need photo

TTY system (off-line) for use with classified communications equipment. Consists of XMTR DISTR, Rack, MT-1679/SGA-1, CSP-2699, Switching Unit, CSP-3333, Power Supply, CSP-3334, TTY TT-69A/UG, REPERF TT-159/FG, Mixing REPEATER Unit SSM-3, XMTR DISTR TT-57/UG.

AN/SGA-2
(includes SSM-33)

need photo

This EQUIP is for the TTY system (off-line) for use with classified communications equipment. No other information available. Complement data is the same as AN/SGA-1, except this set uses the MT-1680/SGA-2 instead of the MT-1679/SGA-1 and the SSM-33 instead of the SSM-3..

AN/SGA-3 Teletypewriter Code Group
Data Sheet

sga3-01.gif (118378 bytes)

sga3-02.gif (26545 bytes)

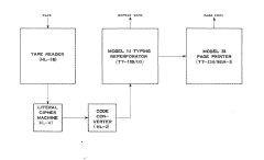
Off-line TTY code group for use with classified communications equipment. AN/SGA-3 is used with, but not part of, TSEC/KL-47 or TSEC/KL-29.  Consists of Control Converter TSEC/HL-2, PERF-REPERF TT-253/UG, Tape Reader TSEC/HL-1B, Power Supply PP-1767/UG, TTY TT-234/SGA-3.

A configuration of teletypewriter and ancillary equipment designed expressly for shipboard use to provide for automatic off-line encryption and decryption of teletype traffic. The cryptographic keying variables are determined by the rotor maze of the associated cipher machine.

Perforated tape previously prepared from incoming radio teletypewriter or CW circuits is fed into the tape reader which actuated the pre-set cipher machine. Output of the cipher machine is converted into teletypewriter code signals by the code converter whose output provides pulses which are used to produce a page copy or a reperforated tape or both. The speed of operation is 50 baud.

The complete configuration consists of the following components:

  • HL-1B (Tape Reader)
  • HL-2 (Code Converter)
  • TT-159/UG (Model 14 Typing Tape Reperforator)
  • KL-47 (Literal Cipher Machine)
  • TT-234/SGA-3 (Model 28 Page Printer)
  • PP-1767/UG (Power Supply)
TT-234/SGA-3

tt234-sga3-1312-01.jpg (42633 bytes)

tt234-sga3-1312-02.jpg (54450 bytes) tt234-sga3-1312-03.jpg (42718 bytes) tt234-sga3-1312-04.jpg (55115 bytes)
tt234-sga3-1312-05.jpg (31821 bytes) tt234-sga3-1312-06.jpg (36045 bytes) PP-1767/UG Loop supply

pp1767-1703-01.jpg (123188 bytes)

AN/SGA-3A
(used with KL-29 and KL-47)
(includes TSEC/HL-2 and TSEC/HL-1B)

Specifically designed to process classified messages automatically on an off-line basis. AN/SGA-3A is used with, but not part of, TSEC/KL-47 or TSEC/KL-29. Consists of Control Converter TSEC/HL-2, Tape Reader TSEC/HL-1B, .Power Supply PP-1767/UG, TTY TT-234A/SGA-3, Typing Reperf TT-159/UG.

AN/SGA-4
Data Sheet

sga4-01.gif (142744 bytes)

sga4-02.gif (85725 bytes)

Provides mounting facilities for accommodating the various units in a compact set for operational passing and handling of classified communications traffic. Specifically used in classified communications centers with on- and off-line circuits in handling traffic. Used with XMTR DISTR CSP-2699 (2 each). Consists of 2 ea TT-57/FG; 1 ea TTY Mixer SSM-33;. 2 ea. PP-1646/UG; 2 ea MT-1951()/SGA-4; l ea. MT-1952()/SGA-4; 2 ea TT-69A/UG or TT-176/UG; 1 ea TT-159/UG; 1 ea TT-103/FG or TT-159/UG with table (TTY Model XRT 119); l ea C-2192/UG; 1 ea SA-561()/UG; 1 ea SB-6/GG.

AN/SGA-5 - Also see HLT-1 tape reader above
Data Sheet

Designed primarily for use in submarines or where space is limited. For CW operation, enciphered traffic is manually entered into the keyboard of asga5-02.gif (54090 bytes) teletypewriter and thus to a reperforator, producing tape and page copies simultaneously. The tape is then run through the HLT-1 tape reader, translated to literal form by the HLI-1 translator, and fed to the KL-47 which produces a gummed tape with the deciphered text. For RATT operation, the receiving loop is directly connected to the reperforator and page printer, producing a tape to be fed into the HLT-1.

sga5-01.gif (123638 bytes) sga5-2111.jpg (430281 bytes)

AN/UGA-1

Need Photo and info

 

uga1-spec-01.gif (466012 bytes) 16:1 time division mux/demux for synchronous TTY channels

need more info

used with TSEC/KO-5
used with AN/UGC-3

KO5CSP6620A-02.JPG (367809 bytes)

Need more Info
FUNCTIONAL DESCRIPTION The AN/UGA-1 is designed to accept multiplexed output of sixteen (16) channel multiplex equipment and divides it into sixteen (16) separate channels which are synchronously related to each other. Output on each channel is in six (6) unit synchronous signal. The receive portion of the equipment performs companion function.
RELATION TO OTHER EQUIPMENT The AN/UGA-1 is designed to be used with but not part of AN/UGC-3() for use on frequency division telegraph systems.
TYPE OF DIVISION: Time-division type. 
TYPE OF OPERATION: Neutral. 
TYPE OF ACTUATION: DC actuated. 
NUMBER OF CHANNELS: 16. 
NUMBER OF WORDS PER MINUTE: 60, 75, 100 words per minute per channel. 
RELATION OF CHANNELS INPUT AND OUTPUT: The 16 channel inputs and outputs are synchronous in nature and are synchronously related.

The AN/UGA-1 is for specific use with terminal set AN/UGC-3 in a fixed-station operation. The transistorized AN/UGA-1 provides facilities for the operation of AN/UGC-3 with radio equipment AN/FGC-29. The transmitting group accepts a neutral sequential signal of information such as provided by the 16-channel AN/UGC-3. The sequential signal is then converted, and re­transmitted in 16 individual channels of information and combines them into a neutral sequential signal that can be utilized by the AN/UGC-3. AN/UGA-1 can change a high speed sequential signal into multiple low speed signals that can be transmitted over conventional radio TTY facilities, in addition to receiving circuits for converting multiple low speed signals into a high speed sequential signal. 

  • 1 ea Cabinet CY -300UUG, 
  • 16 ea. Output Code Converter CV-1030/UGA-1  
  • 1 ea. Input Demultiplexer TD-428/ UGA-1  
  • 1 ea. Output Multiplexer TD-429/UGA-1  
  • 1 ea. Power Supply PP-2758/UG, 
  • 16 ea. Input Code Converter CV-1029/UGA-1. 
Power input: 115 V±10% , 50/60 cps ±5%, 1-ph, 1. 6 amps, 140 W.
For use with standard 60-speed TTY XMTR-DISTR's.

AN/UGC-3

need photo and info

ugc3-spec-01.gif (81892 bytes) ugc3-spec-02.gif (61931 bytes) 16:1 start-stop TTY mux/demux
Used with TSEC/KO-5

Related to 4:1 mux/demux AN/UGC-1

need photos and more info

FUNCTIONAL DESCRIPTION: The Telegraph Terminal Set AN/UGC-3 is a transistorized, sixteen (16) channel, time division, multiplex equipment for fixed station installation. A complete set consists of a transmitting and receiving group. The transmitting group accepts neutral, start-stop signals from up to 16 separate circuits and assembles them in sequential order for multiplex transmission over a single circuit. The receiving group accepts multiplex signals from a distant source, converts them to start-stop, and distributes them to 16 separate circuits. Signals are received from a number of start-stop teletypewriter circuits, stored, and transmitted over common channel. In this process, the message characters from the start-stop circuits are com­pressed in time so that a character from each of these circuits is transmitted in the time normally required to send one character from a single circuit. The receiving multiplex terminal sorts the compressed signals into their respective circuits and regenerates them into normal length start-stop characters. Adjacent siting of the receiver and transmitter group permits use of the built-in test equipment in both. 
TYPE OF MULTIPLEXING: Time-division type. 
TYPE OF FREQUENCY CONTROL: Temperature controlled crystal oscillator. 
REPETITION RATE: 60 wpm-440 pps; 74 wpm-562.5 pps; 100 wpm-733.69 pps. 
NUMBER OF CHANNELS: 4, 8, 12 or 16. 
RELATION TO OTHER EQUIPMENT: In four channel operation, the multiplex signals of the AN/UGC-3 are completely compatible with those of AN/UGC-1 at all speeds and with the AN/FGC-5 at 60 & 75 words per minute. Any standard apparatus using a 7.42 unit code may be employed in the start-stop circuits. All start-stop equipment must have the same operating speeds of 60, 75 or 100 words per minute. The AN/UGC-3 is designed to be used with, but not part of AN/UGA-1.

AN/UGC-3 is a transistorized 16-channel TTY time division multiplex equipment utilizing components and techniques used in the 4-channel equipment (AN/UGC- 1). Used with radio or wire link, and AN/UGA-1. Channel speed: 60, 75, or 100 WPM. Power required: 115 v, 60 cps, 1 ph.

AN/UXC-2

Single-channel time & frequency multiplex for immunity to multipath and fading.
uxc2-spec-01.JPG (3178791 bytes)
Used with KO-5 crypto system for fax transmission

uxc2-spec-02.JPG (1516319 bytes)

uxc2-01.JPG (121129 bytes)
uxc2-06.JPG (106161 bytes) uxc2-03.JPG (121575 bytes) uxc2-04.JPG (108517 bytes) --
uxc2-05.JPG (98711 bytes) uxc2-02.JPG (113126 bytes) uxc2-07.JPG (118678 bytes) --

TSEC/KWX-7

kwx_07b.jpg (19318 bytes)
photos from ebay via Jerry Proc

sync control switch for KW-7

kwx_07a.jpg (22751 bytes)

Jerry's KW-7 page

---

SB-2244/UG Patch Panel

Please send me e-mail with any info about how this was used.  

Channels 1,3,5 have TTY current control and metering - Channels 2,4,6 have associated "STEP LOOP" indicators. The STEP signal releases the next character from a TD under timing control of the crypto gear.

3 dual channels
2 LPG, 2 SET, 1 MISC

The special patch cords are dual cords with a pin that matches the hole between the jacks - this prevents getting TTY and STEP signals crossed.

sb2244-ug-10.jpg (2367501 bytes)

 

sb2244-ug-01.jpg (92847 bytes)

sb2244-ug-02.jpg (47527 bytes)

sb2244-ug-11.jpg (2364305 bytes)

Note - as of 5/2013 Fair Radio has this one unused in the box for sale - with manual and patch cords.

SB-3195/U
sb3195-u-01.jpg (26280 bytes)

Crypto signal switchboard
8 switches connect a KG-14 to one of two selected KWR-37

sb3195-u-02.jpg (10038 bytes)

sb3195-u-03.jpg (32905 bytes)

sb3195-u-04.jpg (15389 bytes) SB-3195/U aboard FFG-54
ffg54-11030-sb.jpg (472311 bytes)

Manual