US Navy HF Transceivers & Transmitter-Receivers

Shipboard HF/MF/LF Transmitters

VHF and UHF Transmitters and Transceivers

WW2 Transmitters and Transceivers

AN/GRC-13
RT-136/GRC-13
grc13-53.jpg (274591 bytes)

Made by RCA
Manual NAVSHIPS 91235

2-12 mc AM/CW  
10 crystal controlled channels 
15-20 watts output

Specifications

grc13-52.jpg (256621 bytes)

grc13-51.jpg (254824 bytes) C-477/GRC-13 control unit
grc-13-ctl-c477-01.jpg (23056 bytes)
NT-26026 key for GRC-13
Legband NT-10531
grc13-key-01.jpg (18137 bytes)
Mic for GRC-13 NT-51071
Headset NT-49507-A
grc13-mic-01.jpg (20870 bytes)
FR-20/U wavemeter for GRC-13
grc13-wave-fr20-01.jpg (15726 bytes)
Crystal pack for GRC-13 NT-10527-A
grc13-xtal-01.jpg (13153 bytes)
PU-158/U Engine- Generator
grc13-gen-110421-01.jpg (84953 bytes)
grc13-gen-110421-02.jpg (104794 bytes) grc13-gen-110421-04.jpg (107521 bytes) grc13-gen-110421-08.jpg (123804 bytes)

AN/GRC-14 
part of AN/MRC-55 Jeep

2-20mc 400W, AM/CW/FSK
made by ITT Federal
NAVSHIPS 92911(A)
Technical Description

T-631/GRC-14
grc14-t631-01.jpg (26616 bytes)

R-808/GRC-14 receiver

r808-grc14-110702-2.jpg (39181 bytes)

r808-grc14-110702-1.jpg (35769 bytes) Need photos of  PP-1711 power supply
r808-grc14-110702-3.jpg (28037 bytes)
t631-grc14-110702-02.jpg (34219 bytes) t631-grc14-110702-06.jpg (36123 bytes) t631-grc14-110702-04.jpg (33388 bytes) t631-grc14-110702-07.jpg (35594 bytes)
C-2172/GRC-14
grc14-c2172-01.jpg (79660 bytes)
grc14-c2172-02.jpg (72313 bytes) grc14-c2172-03.jpg (35248 bytes) grc14-c2172-04.jpg (47615 bytes)
grc14-c2172-05.jpg (64222 bytes) grc14-c2172-06.jpg (53439 bytes) grc14-c2172-07.jpg (75737 bytes) ==

AN/SRC-16 Transceiver System (4 rcvr-xmtr units)

src16-01.JPG (455105 bytes)

AN/SRC-16 Specifications (from 1964 Collins catalog)

 AN/SRC-16 Checkout/Maintenance Manual 
      - thanks to Francesco K5URG

USSFox_RCFoyer_Col5kwshipshore.jpg (172236 bytes)
SRC-16 Communications Central Control aboard DLG-33
photo thanks to W5JV
modern "Communications Central"

4 independent rcvr-xmtr channels
2-30mc, SSB/CW/NTDS, 500w PEP per channel (plus two 5KW amps)

 

The AN/SRC-16 is a high capacity, long range HF communication system which provides four independent transmit and four independent receive channels. The system includes two 5 kw linear amplifiers which can be switched into any two transmit channels in lieu of the 500 watt amplifiers normally used. Frequency coverage is in 1 kc tuning increments over the 2.0-29.999 me range. Operating mode choice includes AM, CW, MCW, FSK, SSB, ISB and data communication on each channel. The channel frequency of each transmitter and receiver is phase locked to a primary frequency standard assuring high signal stability.
  • CIRCUIT FEATURES - Linear power amplifiers, high performance filters and low distortion circuitry meet all complex data transmission and reception performance requirements. Compatible AM is transmitted using the upper sideband and a reinserted carrier. Pi network output circuitry assures efficient antenna loading. The converter for FSK-CW mode reception includes an oscilloscope to monitor test tones and to facilitate BFO adjustment on FSK reception.
  • RF LEVEL CONTROL - A variable attenuator, using transistor circuitry, provides automatic control of radiated or received power levels. The RF signal between the transmitter and RF amplifier can be attenuated up to 120 db. Normally, it is automatically controlled by direct current pulses. It can be switched to the receiver input to manually attenuate the RF signal level.
  • ANTENNA SWITCHING - The AN/SRC-16 employs 12 automatic antenna couplers with terminations for three or more antennas. In a typical installation, eight couplers are associated with the 2-6 me antenna, two couplers with the 5-15 me antenna and two with the 10-30 me antenna. Other arrangements are optionally available to meet individual system requirements. An RF switching matrix located in the HF coupler cabinet connects individual channel equipment to the proper antenna couplers. The couplers permit duplex operation on all channels by isolating transmit and receive circuitry, as well as maintaining the correct antenna impedance match. External equipments, such as the AN/URC-32, AN/WRT-2, AN/SRT-14 and AN /SRT-15, can also be connected to the antenna matrix through auxiliary input jacks.
  • INPUT PATCHING - A communication patching switchboard permits connecting remote input audio lines to any of the radio channels. Interlocked pushbutton selectors prevent improper operation, and visual or aural signals indicate equipment status. Voice compression and noise squelching facilitate voice communications. Redundant power supplies prevent central control failure in the event of a single power supply malfunction.
  • SYSTEM TEST FACILITIES - An integral multipurpose test set simplifies system maintenance tests. A two-tone signal can be applied to either transmitted sideband for distortion measurements and check of performance quality. A sidetone containing the signal is sampled at the T /R relay, coupled to the receiver input, demodulated and passed to a distortion measuring circuit which analyzes the hum level at 400 cps and 800 cps, third order distortion products and the second harmonic of the F1 tone. Frequency lock is tested by transmitting one of two tones on both LSB and USB in a closed loop throughout the system.
  • UNITIZED CONSTRUCTION - The entire system is housed in eight separate equipment cabinets. Maintenance and installation are simplified through the use of modular construction. Individual units are mounted on slide cabinet drawers and all electrical connections are made through mating connectors wherever possible. Additionally, the system can be easily expanded as traffic increases by adding units and cabinets. Completely automatic tuning allows the control cabinet to be located up to 900 feet from the other seven cabinets of the installation. It contains facilities for switching of remote input stations, system fault alarm, digital frequency selection, standby-operate control, manual variable RF level attenuation, audio level metering, RF output metering, signal monitoring, with controls and indicators for all modes.
  • COOLING - Each cabinet is water cooled by a closed-cycle cooling system. The inlet of the centrifugal blower is attached to a water cooled heat exchanger and supplies air to a plenum located at the rear or center of the cabinet. This plenum supplies cooling air to all the units in the cabinet through openings in the rear or bottom of the units. When a unit is withdrawn from the cabinet, the plenum opening is closed by a sliding valve.

AN/SRC-23
src23-31.JPG (110463 bytes)

The AN/SRC-23(V) is a single channel HF transmitter-receiver communications system which operates in the 2-30 MHz range. The transmitter-receiver is automatically tuned and capable of local or remote control in either simplex or duplex modes of operation for AM, CW, USB, LSB, ISB, AFTS, voice, or data. The equipment has a 1 KW power output; however, an alternate 5 KW RF power output may be obtained using a 5 KW linear power amplifier. 

Designed especially for shipboard installations, this transmitter-receiver group may also be used for shore-base installations and consists of eight basic units located within a cabinet. 

  • The front panel of the transmitter control unit provides the controls for manually selecting the modes of operation for the transmitter and amplifier group.
  • The receiver control unit provides controls for operating the receiver.
  • The frequency selector control unit provides the selector switches for selecting the desired operating frequency for the transmitter and receiver units.
  • The radiofrequency amplifier unit receives the signal from the transmitter and amplifies it to 1,000 watts.
  • The frequency standard unit is optional equipment, which may be installed in the cabinet when external frequency standard equipment is not supplied. It provides an unmodulated 100-kHz output frequency used for calibrating the radio transmitter and receiver. In case of power failure, an internal 28 VDC battery in this unit will automatically supply power for two hours.
  • The electrical equipment cabinet provides mounting space for all of the functional units and other equipment, such as a heat exchanger and blower for cooling the system, patch terminal strips, thermal alarm indicators, a warning panel, primary power circuit breaker, and interconnection system components.

The equipment is completely transistorized except for the use of two electron tubes. A frequency-synthesizer provides transmitter-receiver frequencies separated at 500 hertz intervals across the band. The AN/SRC-23(V) is a single-channel version of the four-channel service test NTDS (Naval Tactical Data System) AN/SRC-l6

AN/URC-7 transmitter-receiver
USCG

urc7-uscg-01.JPG (380475 bytes) The AN/URC-7 is an amplitude-modulated transmitter-receiver for short-distance radio-telephone communication. Both transmitter and receiver have six pretuned crystal-controlled channels in the frequency range 2000 to 7000 kc. The transmitter has an output power of 25 watts. The transmitter, receiver, and the modulator-power supply are contained in a single cabinet..
    The AN/URC-7 is used principally in service craft and auxiliary-type ships, such as tugs, transports, tankers, and ships of the amphibious force.

Spec sheets

AN/URC-8(XN-1)
R-627/URC-8
T-474/URC-8
Transmitter-Receiver

Click here for photos and more info

t474-urc8-01.JPG (37765 bytes) r627-urc8-01.JPG (32096 bytes) Manuf by Collins

Prototypes only - intended as replacement for TCS

2-20 mc, AM-CW, 42w output

16 present frequencies
PTO or xtal control (4 xtals)

Click here for photos and more info - thanks to K4OZY

AN/URC-8 (XN-2)

CBS Labs prototype 1955 Need info! -

AN/URC-32
AN/URC-32A
AN/URC-32B
Transceiver

Photos, info and manual downloads

urc32-comp-01.JPG (138575 bytes) Photos, info and manual downloads

HF SSB transceiver
2-30mc, CW/SSB, 500w

Collins KWT-6 family

Photos, info and manual downloads

AN/URC-34 (115vac)
AN/URC-34X (115vdc)
USCG only?
IMG_2171.JPG (2956110 bytes)

6 channel HF AM transceiver (2-9 mc)

RT-452/URC Transmitter-Receiver
IMG_2172.JPG (2121392 bytes)

3 x 6146 final, 2x 6146 modulators

RT-452/URC Transmitter-Receiver
IMG_2173.JPG (2510373 bytes)

RT-452/URC Transmitter-Receiver
C-2521/URC remote control
MD-336/URC-34 modulator & p/s
(MD-337 for AN/URC-34X)

Manual NAVSHIPS 93349

urc34-1412-01.jpg (2820925 bytes) urc34-1412-02.jpg (931337 bytes) --

AN/URC-35 Transceiver

urc35-31.JPG (54765 bytes)

3-04.jpg (40889 bytes)

modern HF SSB transceiver
2-30 mc, 100w

rt618b-am3007-00.jpg (118037 bytes)

rt618b-am3007-03.jpg (90255 bytes)

RT-618/URC transceiver
AM-3007/URC amplifier
C-9044/URC-35 remote control
used with CU-937/UR antenna coupler

predecessor - General Dynamics SC-series

Preliminary Specification

1962 URC-35 and WRC-1 development report

1967 Introduction

 

rt618b-am3007-01.jpg (121978 bytes) rt618b-am3007-02.jpg (114175 bytes) rt618b-am3007-05.jpg (134076 bytes)
rt618b-am3007-04.jpg (108057 bytes) c9044-urc35-01.JPG (54545 bytes)
C-9044/URC-35 remote control
rt618-IMG_E4012.JPG (2607447 bytes)
AM-3007A/URC
urc35-120310.JPG (39279 bytes)
urc35-120302.JPG (27569 bytes) urc35-120305.JPG (62325 bytes) urc35-120308.JPG (42774 bytes)
RT-618/URC
urc35-120301.JPG (38306 bytes)
urc35-120303.JPG (22172 bytes) urc35-120309.JPG (75104 bytes) urc35-120307.JPG (90791 bytes)

rt618-IMG_E4013.JPG (1538709 bytes)

rt618-IMG_E4009.JPG (2935457 bytes) rt618-IMG_E4010.JPG (2768415 bytes) rt618-IMG_E4011.JPG (3274831 bytes)

AN/URC-58(V)
(RF Communications RF-301)
urc58-1307-01.JPG (474794 bytes)

urc58-1307-03.JPG (478624 bytes) urc58-1307-02.JPG (515111 bytes)

Download manual
(NAVSHIPS 0967-034-8000_

RT-790/URC-58 Rcvr-Xmtr
MT-3504/URC-58 mount

urc58-1307-04.JPG (385313 bytes)

 

urc58-1612-01.jpg (275912 bytes) urc58-1612-02.jpg (233443 bytes) == ==
urc58-man-cover.jpg (350508 bytes) urc58-man-interior.jpg (205842 bytes) urc58-manual-01.jpg (6068929 bytes) urc58-manual-02.jpg (1136925 bytes)
urc58-buships-01.JPG (458022 bytes) urc58-buships-02.JPG (301481 bytes)

AN/URC-94(V)
(Harris RF-280)

1978 Mil Spec MIL-R-28848 

Manuals 

(V) 1 shock mount
(V) 2 rack mount

urc94-specs-2206-01.png (458018 bytes)

urc94-specs-harris-02.jpg (1783681 bytes) urc94-1704-01.jpg (279099 bytes) urc94-1704-02.jpg (296731 bytes)
urc94-1704-03.jpg (262432 bytes) urc94-1704-04.jpg (254206 bytes) urc94-1704-05.jpg (221319 bytes) urc94-1704-06.jpg (309052 bytes)
urc94-2206-01.jpg (355849 bytes) urc94-2206-02.jpg (407782 bytes) urc94-2206-03.jpg (343631 bytes) urc94-2206-04.jpg (387412 bytes)
 

urc94-2510-01.jpg (591373 bytes)

urc94-2510-03.jpg (612832 bytes)

urc94-2510-02.jpg (733399 bytes)

urc94-2510-04.jpg (1860681 bytes) urc94-2510-05.jpg (779528 bytes)
RF-280A and URC-94(V)1 
- thanks to KA3EKH

urc94-ka3ekh-2206.JPG (3543072 bytes)

C-10206/URC-94 control
urc94-ctl-1403-01.JPG (314208 bytes)

urc94-ctl-1403-02.JPG (219466 bytes)

J-3641/URC-94 junction box
urc94-j3641-1802-01.jpg (222214 bytes)
urc94-j3641-1802-03.jpg (238038 bytes)

urc94-j3641-1802-04.jpg (242483 bytes)

AN/URC-109 (Marconi ICS4)

urc109-01.jpg (854283 bytes) Integrated MF/HF Comm System

Brochure/Specs

===

AN/URC-119(V)

urc119-2111-01.jpg (46817 bytes)

Harris "Pacer Bounce" RF-350 series

My Restoration Project

urc119-2111-07.jpg (258793 bytes)

RT-1446/URC 100w transceiver
urc119-2111-06.jpg (202119 bytes)

AM-7224/URC 1 kw linear amp
PP-7913/URC power supply

AN/URA-38C antenna coupler

C-11329/URC remote control

AN/URC-131(V)
Harris
HFRG Transceiver

hfrg-01.JPG (161660 bytes)

hfrg-cvn75-2010.jpg (1208833 bytes)

hfrg-lha4-2010.jpg (662622 bytes)

hfrg-02.JPG (81738 bytes) harris-ad-hfrg-1990.jpg (64863 bytes)
High Frequency Radio Group (HFRG) is a fully automated subsystem of the external radio communications system (RCS) aboard surface ships. The HFRG operates in the Very Low Frequency (VLF), Low Frequency (LF), Medium Frequency (MF) and High Frequency (HF) bands and supports full duplex, half duplex and simplex operation for tactical and long-haul voice, interrupted continuous-wave, teletype and digital data communications in the Lower Sideband (LSB), Upper Sideband (USB), Independent Sideband (ISB), Amplitude Modulation Equivalent (AME) and Link 11 modes of operation. The HFRG consists of three subsystems: the Transmit Subsystem, the Receive Subsystem and the Control/Monitor Subsystem (CMS).
Transmit Subsystem: The Transmit Subsystem operates (in increments of 10 Hz) in the frequency range of 2 Mhz to 30 Mhz and is used primarily for broadband circuits. The Transmit subsystem is designed to allow all exciters to operate in the Link 11 mode, but contains the assets required to support two (2) 1kW narrowband circuits which are the primary HF Link 11 circuits. The operational capabilities of the transmit subsystem require both broadband and narrowband antennas. The operational configuration of the transmit subsystem is accomplished in response to commands from the CMS and frequency changes (except narrowband) are completed in less than 100 milliseconds. The transmit subsystem reports to the CMS when the system is configured and also reports detected failures.
Receive Subsystem: The Receive Subsystem operates (in increments of 10 Hz) in the frequency range of 14 Khz to 1.619 Mhz and 2 Mhz to 30 Mhz. The receive subsystem requires at least two broadband antennas and 1 or 2 additional antennas dedicated to the use of the Ship Signal Exploitation Equipment (SSEE). The operational configuration of the receive subsystem is accomplished in response to commands from the CMS and frequency changes are completed in less than 20 milliseconds. The receive subsystem reports to the CMS when the system is configured and also reports detected failures.
Control/Monitor Subsystem (CMS) The Control/Monitor Subsystem is the backup point of control for the HFRG when the system is being controlled by the Surface Ship Automated Communications Control System (SSACCS) (part of the Communications Support System (CSS)). The SSACCS normally controls the HFRG through an interface with the CMS, but if the SSACCS becomes inoperable the CMS automatically assumes the functions of remote control, performance monitoring, test, operator interface, and display of the operational characteristics. The CMS is used to send configuration commands to the transmit and receive subsystems and, in turn, receive configuration completion and operational characteristics from these subsystems.

From "Jane's Military Communications"- The AN/ URC-131(V) High Frequency Radio Group (HFRG) system is an integrated, solid-state naval communications suite, designed to provide a balance between transmitter and receiver performance in a co-located shipboard environment. The three main communications components of the AN/URC-131 (V) are the Broadband Transmit Group (BTG), the Narrowband Transmit Group (NTG) and the receive system. The third-generation BTG is of solid-state design and provides coverage of the 2 to 30 MHz band. Three BTG variants have been produced - a 4 kW (8 circuit) system, an 8 kW (17 circuit) system and a 12 kW (26 circuit) system. All three systems use only two topside broadband antennas. The NTG consists of up to three solid-state 1 kW transmitters with power post-selectors and digital antenna couplers. The NTG can be tuned in the presence of adjacent antenna interference and offers completely silent tuning. It has a rapid-tune digital antenna coupler. It can also serve as a stand-alone system aboard small ship platforms. The receive system's R- 2557A/URC receiver operates over the full LF, MF and HF frequency range from 10 kHz to 30 MHz. Other features include: up to 49 receive circuits; passive antennas, which require no electronics topside; and an atmospheric noise-limited design. The HFRG's HFRG Remote Control/ Monitor Subsystem (RCMS) is designed for 'lights out' operation in the transmitter and receiver compartments. Its features include: a ruggedized, PC workstation with full ASCII keyboard and pointer for function selection/ activation; redundant control buses and subsystem controllers for system survivability.

AN/USC-61(V)
Digital Modular Radio (DMR)

2MHz-2GHz SDR

General Dynamics

 

DMR-01.jpg (403667 bytes)

 

 

usc61-2021-01.jpg (368165 bytes)

AN/WRA-1 SSB Transceiver

RT-645/WRA-1 SSB Transceiver
CN-513/WRA-1 Voltage Regulator
CU-701/WRA-1 Line Coupler

RT-645/WRA-1
wra1-1909-01.jpg (2764630 bytes)
wra1-1909-02.jpg (1325330 bytes) Connects to TBL, TBM, SRT-14, or similar transmitter as power amplifier

CN-513 is a regulated screen supply for TBL

CU-701 is a buffer amp to drive TBL

CN-513/WRA-1
wra1-cn513-1606-01.jpg (470513 bytes)
wra1-cn513-1606-03.jpg (249620 bytes) wra1-cn513-1606-08.jpg (718958 bytes) wra1-cn513-1606-04.jpg (293730 bytes)
wra1-cn513-1606-06.jpg (191763 bytes) wra1-cn513-1606-05.jpg (221038 bytes) wra1-cn513-1606-02.jpg (623506 bytes) ==

AN/WRC-1
Transmitter-Receiver

wrc1-31.JPG (121558 bytes)

1963 AN/WRC-1 article

AN/WRC-1 development and procurement

AN/WRC-1B and CU-937/UR Manual
NAVSHIPS 0967-LP-427-5010
 - download 40MB pdf

ET A School HF Transmitter/Receiver Sub-Systems (1982)   - covers AN/WRC-1B and AN/URT-23(V)
Vol 3 part 1 - exercises - download pdf
Vol 3 part 2 - diagrams - download pdf

modern HF SSB transceiver
2-30mc, 100w

3-06.jpg (38873 bytes)

R-1051/URR receiver
T-827/URT exciter
AM-3007/UR power amplifier
CU-937/UR antenna coupler
J-1265/U junction box  

t827b-urt-1207.JPG (137448 bytes)
T-827B/URT exciter

predecessor equipment- General Dynamics SC-series

Eldico S-100 SSB transmitter-receiver

1959 spec sheet
s100-01.jpg (324258 bytes)

s100-02.jpg (127813 bytes)

eldico-rack-2601-02.jpg (262144 bytes)

4-channel , 2.2-30 mc SSB

R-100 receiver
eldico-r100-1103-01.jpg (42308 bytes)

eldico-r100-1103-02.jpg (91286 bytes)

 

R-100 receiver
eldico-r100-1103-04.jpg (40295 bytes)

eldico-r100-1103-03.jpg (134618 bytes)

A small number were installed for interim testing before military SSB equipment was procured.

Included:
R-100 receiver
T-100 transmitter
M-100 Antenna Tuner
M-102 DC supply remote control

Used with SRA-25 antenna tuner

T-100 Transmitter
eldico-t100-1103-01.jpg (47755 bytes)

eldico-t100-1103-02.jpg (113436 bytes)

T-100 Transmitter
eldico-t100-1103-04.jpg (57370 bytes)

eldico-t100-1103-03.jpg (159838 bytes)

T-100 Transmitter
(photos thanks to Brian WA5UEK)
eldico-t100-1103-10.jpg (93643 bytes)

eldico-t100-1103-11.jpg (96915 bytes)

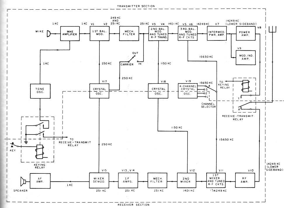
RCA SSB-1 Transceiver

More SSB-1 photos and info 

SSB1-RCA-03.JPG (17098 bytes)

SSB1-RCA-01.JPG (10876 bytes)

RCA SSB HF transceiver 60 watts
4-channel, crystal controlled 3-15 mc
pair of 6146 output (3x 6146 in later models)

 SSB1-RCA-02.JPG (38476 bytes)

Commercial unit used extensively by USN before military SSB equipment was procured

 

NAVSHIPS 92917

ssb1-101.JPG (104062 bytes)
SSB-1 block diagram

used with AN/SRA-20 antenna tuner

More SSB-1 photos and info